


НОВИНКА
Смеситель для кухни под фильтр питьевой водыFmark · FS0662-XC12



Основные характеристики
PCS
6
Материал
Нержавеющая сталь, SUS304
Цвет
Матовое золото
Гарантия
5 лет
Штрих-коды и коды
Штрихкод товара
6942302927965
Штрихкод транспортной упаковки
6942302927972
Размеры упаковки
Количество единиц в упаковке
1
Дополнительные характеристики
Полное название
Смеситель для кухни под фильтр питьевой воды Fmark FS0662-XC12
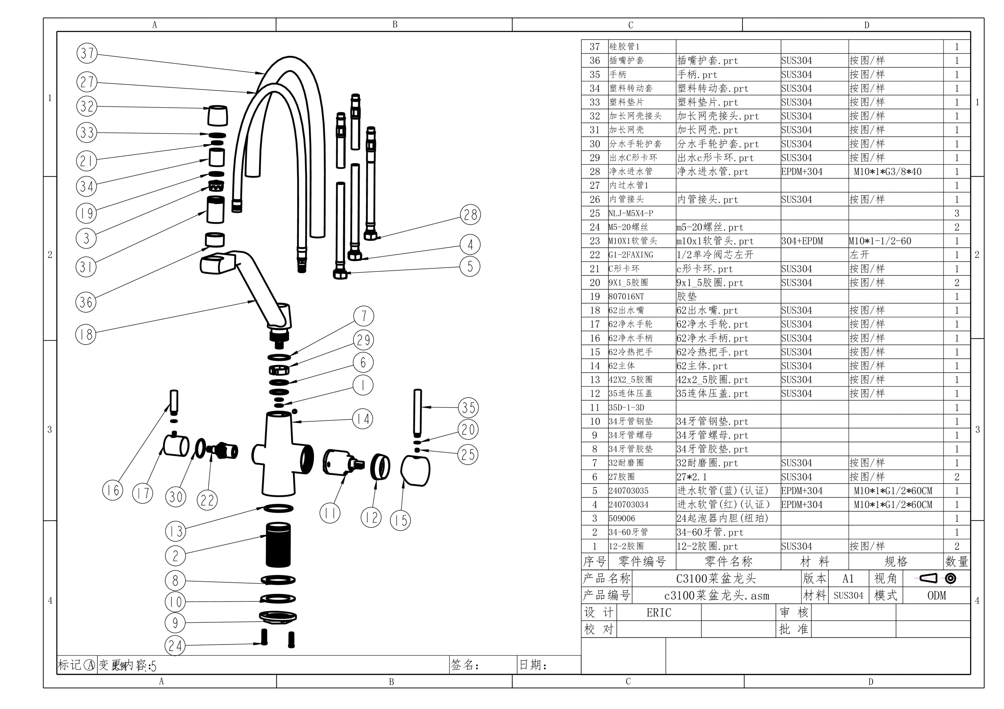
URL Взрывная схема
Https://storage.yandexcloud.net/sav-media-storage/FS0662-XC12/processed/images/bom.png
Новинка
Бренд
Fmark
Категория товара
Смесители для кухни
Серия
Серия 62
Материал упаковки
Картон
Страна производства
Китай
Страна товарного знака
Россия