


НОВИНКА
Смеситель для кухниFmark · FS0352C



Основные характеристики
PCS
6
Материал
Нержавеющая сталь, SUS304
Цвет
Матовое золото
Штрих-коды и коды
Штрихкод товара
6942302931511
Штрихкод транспортной упаковки
6942302931528
Размеры упаковки
Количество единиц в упаковке
1
Дополнительные характеристики
Полное название
Смеситель для кухни Fmark FS0352C
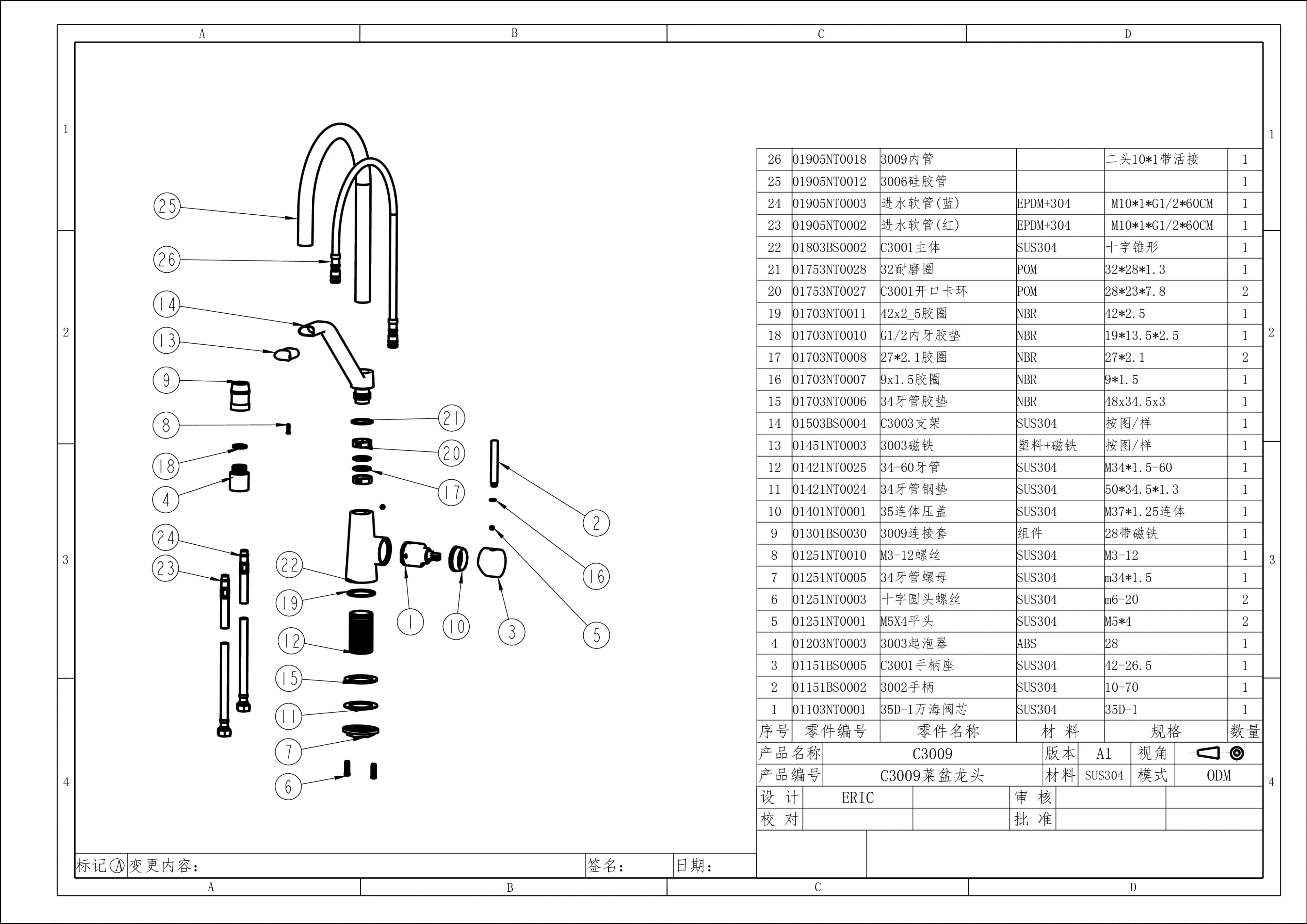
URL Взрывная схема
Https://storage.yandexcloud.net/sav-media-storage/FS0352C/processed/images/bom.png
Новинка
Бренд
Fmark
Категория товара
Смесители для кухни